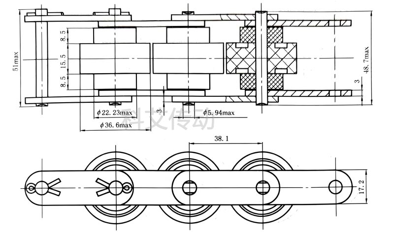
BS10-C212A,2.5倍速链条适用行业场景:电子电器行业、机械制造行业、新能源领域、食品饮料行业、物流仓储
0731-88306937
邮箱:sale@k2chain.com
周一至周五,9:00-18:00